مركز تصنيع بخمسة محاور
في قطاعات التصنيع الراقية مثل صناعة الطيران والقوالب الدقيقة والأجهزة الطبية، يضع مركز التصنيع بخمسة محاور معايير صناعية جديدة بفضل قدراته الاستثنائية في المعالجة.
- HC
- الصين
- شهر واحد
- 1000/شهريًا
- معلومات
- تحميل
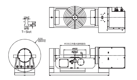
هذا مركز تصنيع بخمسة محاور يعتمد على تقنية الربط المبتكرة بخمسة محاور، مما يتيح التشغيل الكامل للأجزاء المنحنية المعقدة في إعداد واحد، مما يحسن بشكل كبير من كفاءة الإنتاج مع ضمان دقة التشغيل ± 0.005 مم.
الميزة الأساسية لـ مركز تصنيع بخمسة محاور يكمن سرّها في تصميمها الفريد لرأس الدوران المزدوج المتردد، إلى جانب مغزل كهربائي عالي السرعة، مما يسمح بالطحن الدقيق من أي زاوية. سواءً كان الأمر يتعلق بهندسة معقدة مثل المراوح والمراوح الدافعة أو تشغيل قوالب دقيقة ذات تجويف عميق، مركز تصنيع بخمسة محاور يتعامل معها بسهولة. مزود بنظام تخزين أدوات ذكي يدعم التغيير التلقائي لـ ١٢٠ أداة، مما يتيح فترات تشغيل طويلة دون مراقبة.
ومن الجدير بالذكر بشكل خاص هو مركز تصنيع بخمسة محاورنظام التعويض الحراري المتطور وتقنية كبت الاهتزازات من شركة "جيه إل إل" يضمن دقة تشغيل ثابتة حتى أثناء التشغيل المتواصل لفترات طويلة. للشركات التي تسعى إلى تشغيل عالي الكفاءة والدقة، مركز تصنيع بخمسة محاور وهو بلا شك الخيار الأمثل لتعزيز القدرة التنافسية.


